Bộ chuyển đổi công suất lưu trữ năng lượng (PCS) có chức năng chuyển đổi nguồn điện một chiều (DC) từ pin thành nguồn điện xoay chiều (AC) thông qua các thiết bị điện tử công suất tích hợp bên trong, nhằm cung cấp điện năng cho các thiết bị khác (tức là quá trình xả).
Ngoài ra, PCS cũng có khả năng chuyển đổi ngược từ AC sang DC để sạc lại pin. Thiết bị có thể linh hoạt chuyển đổi giữa chế độ sạc và xả dựa trên cấu hình cài đặt sẵn hoặc theo lệnh điều khiển từ các hệ thống bên ngoài như EMS.
Ngoại hình & Kích thước PCS
Kích thước của PCS là 520 mm × 232 mm × 785 mm (không bao gồm các đầu nối), như minh họa trong hình bên dưới.
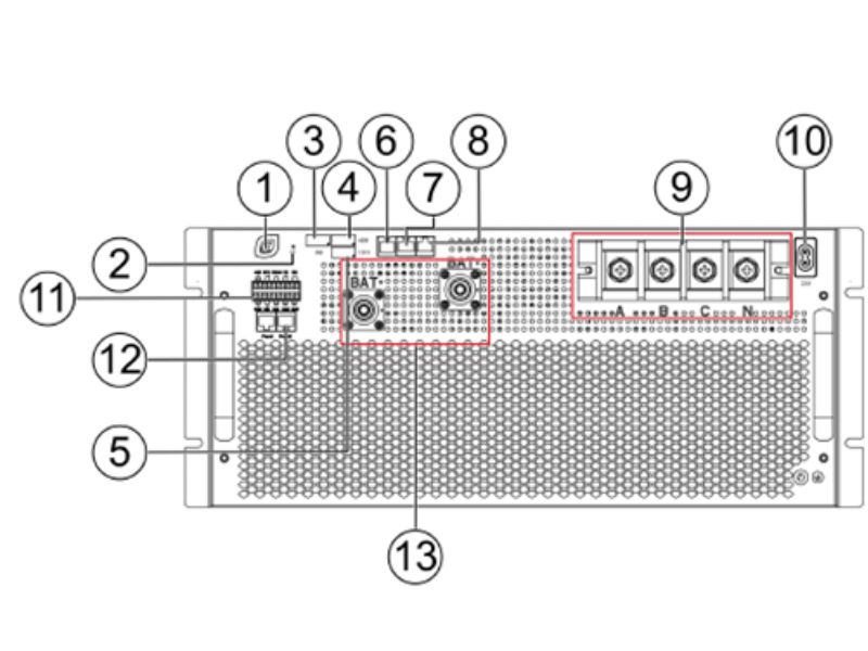
Các thành phần của PCS được thể hiện trong hình minh họa sau:


Sơ đồ giao diện PCS được mô tả chi tiết trong bảng bên dưới.
Bảng 1: Mô tả ngoại quan PCS
| STT | Mô tả |
| 1 | Đèn chỉ báo vận hành |
| 2 | Đèn chỉ báo Bluetooth |
| 3 | Cổng USB |
| 4 | Cổng cài đặt địa chỉ |
| 5 | Cổng điện trở đầu cuối (Matching Resistor) |
| 6 | Cổng Ethernet |
| 7 | Cổng dự phòng |
| 8 | Cổng Debug (Gỡ lỗi) |
| 9 | Cổng nguồn AC |
| 10 | Cổng nguồn Debug |
| 11 | Cổng truyền thông |
| 12 | Cổng kết nối song song PCS |
| 13 | Cổng nguồn DC |
Thông số Kỹ thuật PCS
| STT | Danh mục | Tên thông số | Thông số |
| 1 | Thông số cơ bản | Biến áp cách ly | Không |
| 2 | Nhiệt độ môi trường vận hành | -30 ~ +55°C | |
| 3 | Cấp IP | IP20 | |
| 4 | Phương pháp làm mát | Làm mát bằng khí thông minh | |
| 5 | Độ cao vận hành tối đa | 4000 m (giảm công suất trên 2000 m) | |
| 7 | Hiệu suất tối đa | 98.5% | |
| 8 | Tiêu thụ điện năng chờ | < 25W | |
| 9 | Kích thước (R x C x S, mm) | 520 x 232 x 785 (không gồm đầu nối) | |
| 10 | Trọng lượng | ≤ 66.5kg | |
| 11 | Thông số DC | Điện áp DC tối đa | 950V |
| 12 | Điện áp DC tối thiểu | 650V | |
| 13 | Dải điện áp làm việc DC | 650 ~ 950V | |
| 14 | Dòng điện tối đa phía DC | 192A | |
| 15 | Thông số AC (hòa lưới) | Công suất sạc & xả định mức | 125kW |
| 16 | Công suất sạc & xả tối đa | 137.5kW | |
| 17 | Dòng điện sạc & xả định mức | 180A | |
| 18 | Điện áp lưới định mức | 400V | |
| 19 | Dải điện áp lưới cho phép | 340 ~ 460V | |
| 20 | Tần số lưới định mức | 50Hz/60Hz | |
| 21 | Tổng tỷ lệ biến dạng hài dòng điện | < 3% (Dưới công suất định mức) | |
| 22 | Hệ số công suất | > 0.99 | |
| 23 | Dải hệ số công suất | -1 ~ 1 | |
| 24 | Khả năng quá tải | 1.1Pn liên tục | |
| 25 | Thông số AC (độc lập) | Điện áp đầu ra định mức | 400V |
| 26 | Độ lệch điện áp | ±2% | |
| 27 | Tổng tỷ lệ biến dạng hài điện áp | < 3% (Tải tuyến tính) | |
| 28 | Bảo vệ | Bảo vệ ngược cực DC | Có |
| 29 | Bảo vệ ngắn mạch AC | Có | |
| 30 | Bảo vệ quá dòng AC | Có | |
| 31 | Bảo vệ quá áp AC | Hai cấp độ | |
| 32 | Bảo vệ chống sét lan truyền | Hai cấp độ | |
| 33 | Giám sát trở kháng cách điện | Có | |
| 34 | Bảo vệ quá nhiệt | Có | |
| 35 | Đặc tính | Giao diện DC | Đầu nối hàng không, yêu cầu đấu dây |
| 36 | Giao diện AC | Đầu cốt OT, yêu cầu đấu dây | |
| 37 | Giao diện truyền thông | Ethernet/RS485/CAN |


